Prodotti
Posizione attuale:Home >> Prodotti
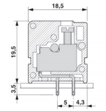
- LG105V-5.0/7.5/10.0
-
Tensione(v):320
-
Corrente nominale(A):24
-
Filo di diametro(m㎡):2.5
-
Specifiche Wire(AWG):24-14
-
Single / multi-wire(m㎡):0.2-2.5/0.2-2.5
-
Coppia massima di serraggio(Nm):0.4-0.5
-
Avvitare:2.5
-
Striscia di lunghezza:9
-
Tensione Resistente(kv):4
-
Isolamento / livello di ritardanti di fiamma:PA/V0
-
Polo(P):Mosaic
Introduzione alla morsetti saldabili di LG105V-5.0/7.5/10.0:
LG serie prodotti sono caratterizzati principalmente con monomero saldato con PCB, cablaggio dei fili è facile, e connesione di vite è solido. L’aghi passi: 2.54,3.5,3.81,5.0,5.08,6.35,7.5,7.62,9.52,12.7…. ci sono 2P e 3P prodotti di cablaggio digitale, combinazione è possible o offrire una entità senza combinazione. ci sono frontali, laterali, inclinati e l’altre stili dei fili dei direzioni diversi.
Diagramme e parametri:
.jpg)

